28MM PCO1810 PET Preform
PCO preforms are commonly used in beverage bottles, including carbonated soft drinks and juices. Two common variants of PCO preforms are the PCO 1810 and 1881, which each have a slightly different neck finish and a 28mm diameter.
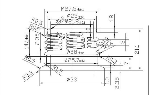
The mouth height of the 28mm PCO1810 PET preform used to make plastic bottles is the standard 21.1mm. And the threaded part is a broken tooth design. We specialize in the production of 100% new raw material PET preforms. In addition to the standard color preforms, customers can also customize the color of the preforms according to their own preferences and needs. 28mm pet performS range in size, shape, neck finish, and weight, and the final volume of the finished product will determine its final weight.
The mouth height of the 28mm PCO1810 PET preform used to make plastic bottles is the standard 21.1mm. And the threaded part is a broken tooth design. We specialize in the production of 100% new raw material PET preforms. In addition to the standard color preforms, customers can also customize the color of the preforms according to their own preferences and needs. 28mm pet performS range in size, shape, neck finish, and weight, and the final volume of the finished product will determine its final weight.
The weight of the preform depends on the volume of the bottle you want to blow. For 300ml to 500ml bottles we provide 16g-20g PET preforms for blowing, for 700ml to 1 liter bottles we provide 20g-28g PET preforms for blowing, and for 1.2 and 2 liters Bottles we provide 30g-40g PET preforms for blowing. We will help customers make a suitable choice according to the bottle type and requirements provided by customers. In addition, we also offer various styles of plastic caps to match the preform models.



English
русский
Español
عربى
+86-15157625901 / 13706572756
info@suncomold.com
No.2 Gongxin Avenue, Beicheng Street, Huangyan, Taizhou, Zhejiang, China